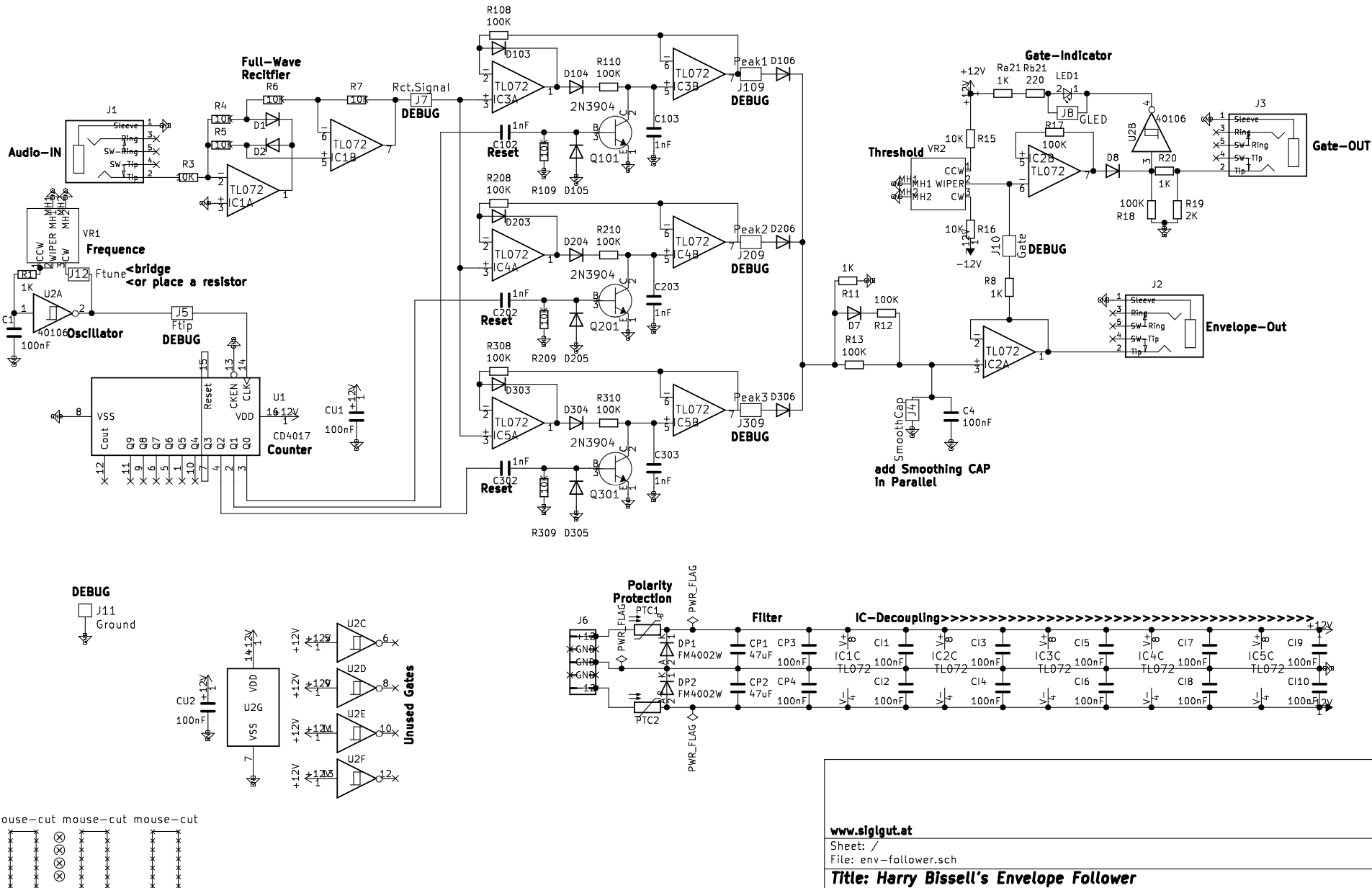
phatline:env-follower-shematic.png
env-follower-shematic.png
- Date:
- 2021/01/05 22:07
- Filename:
- env-follower-shematic.png
- Format:
- PNG
- Size:
- 374KB
- Width:
- 1905
- Height:
- 1233
- References for:
- envelope-follower-bissel-based
This list might not be complete due to ACL restrictions and hidden pages.
