User Tools

Site Tools


electricity_basics

This is an old revision of the document!


Electricity Basics

.

In order to understand better electronics, some basics in electricity are needed.

1 - Fundamentals

In order to explain electricity, let's imagine a waterfall. A stream going from where there is something to where there is not. Electricity is the same, it's a stream of positive charges going from + to -. (Since the electrons themselves are negatively charged, they move from - to +; but the subtlety of this only matters in semiconductor design.)

But let's stay on the waterfall:

- The electricity equivalent to the Volume of water dropping is called Current ( the quantity of electrons which are moving)

- The electricity equivalent to the Height of the waterfall is called Voltage ( the energy of each electron).

If we want to calculate the power of our water stream we will have to take volume and height in consideration, which gives us: Power = Volume x Height

Let's transpose it to electricity, it gives us : Power = Voltage x Current , so in electric units :

Watts = Volts x Amperes

.

2 - Ohm's Law

If we put some rocks in the water before it falls it will create the equivalent of an electrical phenomenon called Resistance. The move of water stream between our rocks gets accelerated , it gains in energy in the smaller spaces between rocks. It's like when the water gains energy by falling.

Electrically We can deduce Voltage = Resistance x Current , so in electric units :

Volts = Ohms x Amperes

This is called Ohm's Law. If we want to convert an unknown value between Voltage-Resistance-Intensity, you can rearrange the formula.

For example if we want to define an unknown resistance, we have : Resistance = Voltage / Current

.

3 - Capacitance

Capacitance is the ability of a body to store an electrical charge. A material with a large capacitance holds more electric charge at a given voltage, than one with low capacitance.

In comparison to water , capacitor is like a dam in the middle of our water flow, storing water for some time.

The unit for electrical capacitance is Farad.

.

4 - Base Audio Signals for Synthesis : Getting into the Sound

.

A-Sound and Signals

Sound is compression waves of changing air pressure over time, produced by some physical object moving back and forth (e.g. a speaker head).

Since a speaker's position is proportional to its input voltage, analog audio signals are usually represented as changing voltages over time.

Sometimes they are changing currents through a node at constant voltage, but changing voltages are much more common (e.g. this is what is present on a Line Out jack from a synthesizer).

Audio equipment is typically calibrated so that a variation of +/- 1 volt from ground (0V) is a loud sound for line level inputs/outputs; outputs that drive speakers can sometimes reach 50 volts or more (for several hundred watts sound systems).

.

B-Base Wave Shapes

Let's have a look to some base audio waveshapes and how they look when changed in amplitude and in frequency.

That already gives us some good basics . Some more signals :

C-Wave Modulation

When you use a signal to modulate an other you have the following:

D-Audiovisual Example

Finally, here are some demos on the oscilloscope:

TODO : Center the vid (didn't managed to do it -_- ) and remake it with a SID or FM synth for example .

5 - Mixing and Filtering

Let's see the principle

Mixinig/Filtering Gfx on correction

Basically by adding two different frequency signals it gives a signal more complicated and stronger, and by removing a portion of the signal frequencies we're getting something simpler but more accurate. An audio mixer provides complete these two functions simultaneously , for example.

Audio filtering need some more precisions though :

Filtering Gfx2 on correction

.

6 - Analog / Digital, what's the difference?

As described above, analog audio is usually a changing voltage over time.

Digital audio is an array of (numeric) samples, each one corresponding to a particular amplitude/voltage at a particular time.

Therefore, when converted to digital form, audio has to be quantized (digitized, or divided into discrete elements) in both amplitude (voltage) and time. Here is the quantization in time:

The frequency of the sampling (the little dots) is called the sample rate; common values are 44.1 kHz and 48 kHz. The higher the value, the better the accuracy of the digital representation.

The signal also has to be quantized in voltage/amplitude, because the computer has to represent each sample as a single number (with limited precision, often an integer (float for high precision) ).

If the numbers representing samples are integers, the quality of the quantization is called the bit depth.

Examples include 16-bit and 24-bit audio; these mean that each sample is represented by :

-16-bit integer = 2^16 = 65,536 possible levels

-24-bit integer = 2^24 = about 16 million levels

(8 bits depth = 2^8 = 0 to 254 levels and if we get signed -127 to +127 )

Often these values are represented as floating-point numbers within the computer, which gets rid of almost all the error (especially in modern DAWs that use 64-bit floating point); but the conversion to or from analog has to be done using an integer, and true 24-bit accuracy is almost impossible to get - and extremely expensive -. Most “24-bit” converters are actually effectively about 20-21 bits, due to noise and other factors.

.

7 - Resistor, Capacitor, Diode and Transistor

.

Back to Electricity !

There are some basic components used in electronics that need to be covered before going further.

A-Resistor

The resistor is a unpolarized passive component with a resisting value in ohms that acts in voltage regulation in circuitry. The color stripes on it describes it value, following a color code

Symbols

Here are the symbols for different types of resistors

.

.

B-Capacitor

The capacitor is a passive component used to store electrical energy temporarily in an electric field with a value in farads . It is sometimes Polarized (Electrolytic), sometimes not (Ceramic)

TODO: Add a link to a Farad converter, remake symbols Gfx

Symbols

.

.

C-Diode

A diode is a polarized passive component that let pass the electrical flow in only one way

Symbols

TODO: Remake this Gfx

.

D-Transistor

The Transistor is an active component that works as an amplifier or a driven switch.

BJTs and FETs perform similar functions, but with a different type of input.

Both kinds of transistors are devices that control the current flowing through them and can be used as digital switches or analog amplifiers.

In the digital case, the circuit around the transistor is designed so the input signal (current for a BJT or voltage for a FET) is large enough to turn on the transistor much more than the actual needed output current, or small enough to turn off the transistor completely.

In the analog case, the circuit is designed so that the transistor is operated in the region where small changes in input signal cause large changes in output current.

Symbols

Following the technology the transistor has been built, it has several symbols The current being controlled (i.e. the output current) is from top to bottom in all these pictures, i.e.:

Gfx on correction

from emitter to collector for PNP

from collector to emitter for NPN

from source to drain for P-channel FET

from drain to source for N-channel FET

The third pin, base or gate, controls the amount of current flow between the other two pins. The difference between a BJT and a FET is that in a BJT, the output current is a function of the CURRENT between base and emitter, and in a FET the output current is a function of the VOLTAGE between gate and source.

.

8 - Kirchhoff's Circuit Laws

In electricity , as with water , the flows tend to regulate . The following relationships helps a lot about solving values in circuitry :

TODO: Remake Gfxs

A-Current Law (KCL)

In other words , in a node , Current going to the node equals Current going from the node

i4 = i3 + i2 - i1

B-Voltage Law (KVL)

In other words, the voltage is balanced along the components rings ; ad = ab + bc + cd

V4 = V3+V2+V1

.

9 - Serial and Parallel Circuits

.

Current is the same for all of elements in a Serial circuit so : Total Current = Each component Current

Voltage is the same for all of elements in a Parallel circuit so : Total Voltage = Each component Voltage

TODO: update gfx and represent Rtotal and Ctotal

.

A-Resistors Serial mounted

RTotal = R1 + R2 + … + Rn

B-Capacitors Serial mounted

(1/CTotal) = (1/C1)+(1/C2)+… +(1/Cn)

C-Resistors Parallel mounted

(1/RTotal) = (1/R1)+(1/R2)+… +(1/Rn)

D-Capacitors Parallel mounted

CTotal = C1 + C2 + … + Cn

.

10 - Operational Amplifier

TODO : Redraw Gfx

An operational amplifier (aka OpAmp) is an electronic Integrated Circuit (IC) used in many purposes like amplifiers, mixers, filters and oscillators

A-Symbol

Vcc is the “power supply” voltage for the Operational amplifier

.

B-Non inverted Amplifier

Ve = Vs x ( R1 / ( R1+R2 ) )

Vs = Ve x ( 1 + (R2/R1) )

TODO : add gain formula + example in + out signals from this circuit

C-Schmitt Trigger aka self triggered comparator

(+/-)VTrigger = (+/-)Vcc x ( R1/R2 )

TODO: Give some more explanations about how the trigger works

D-Basic Oscillator

TODO : Explain the derivative from schmitt trigger . Add some relations between voltages and components values and a demo input/output signals

.

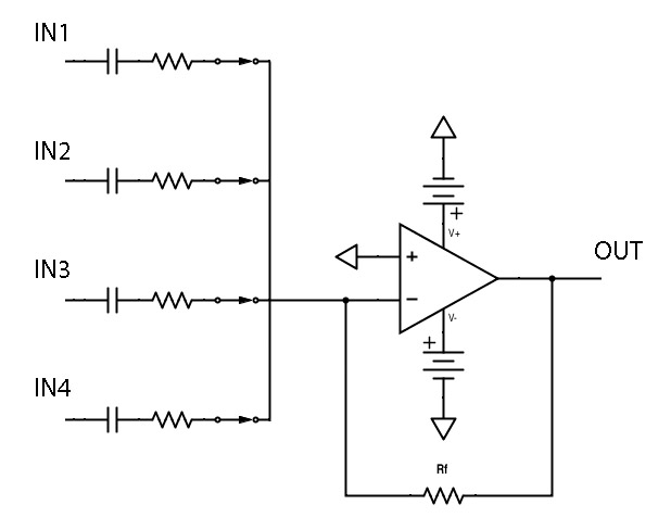
E-Basic Mixer

.

F-Basic Active Filters

.

Low-Pass Filter

A low-pass filter let pass through frequencies below their cutoff frequencies, and progressively attenuates frequencies above the cutoff frequency. Low-pass filters can be used in audio crossovers to remove high-frequency content from signals being sent to a low-frequency subwoofer system.

.

High-Pass Filter

A high-pass filter does the opposite, passing high frequencies above the cutoff frequency, and progressively attenuating frequencies below the cutoff frequency. A high-pass filter can be used in an audio crossover to remove low-frequency content from a signal being sent to a tweeter.

.

Band-Pass Filter

A bandpass filter passes frequencies between its two cutoff frequencies, while attenuating those outside the range. ( the contrary is a band-reject filter, wich attenuates frequencies between its two cutoff frequencies, while passing those outside the 'reject' range).

TODO : Add some -simple- relations between R & C / Cutoff Freq in the active filters circuits .

.

11 - Going Further

electricity_basics.1464976053.txt.gz · Last modified: 2016/06/03 17:47 by psykhaze