gm5x5x5_errata
This page lists the know errors on the gm5x5x5 PCBs. There are no known issues with the bulk order run (white pcbs), the following information is valid only for the prototype run (green pcbs).
Bulk Order #1 (white PCBs, rev 1.0)
#1 Silkscreen error (reported by dioioib)
Problem: The silkscreen has the EEPROM the wrong way around - Pin 1 should be facing IC5.
Solution: Stick the EEPROM in the other way around, with the “notch” facing IC5.
Prototype Run (green PCBs)
#1 MIDI IO pins
Problem: The MIDI IO pins of the midi sockets (Pin 4 + 5) are switched.
Solution: Either (1) use the pin-headers if you use sockets that are not mounted on the pcb or (2) break the traces to pins 4 + 5 of the sockets and solder wires to them or (3) solder the midi sockets on the other side of the pcb.
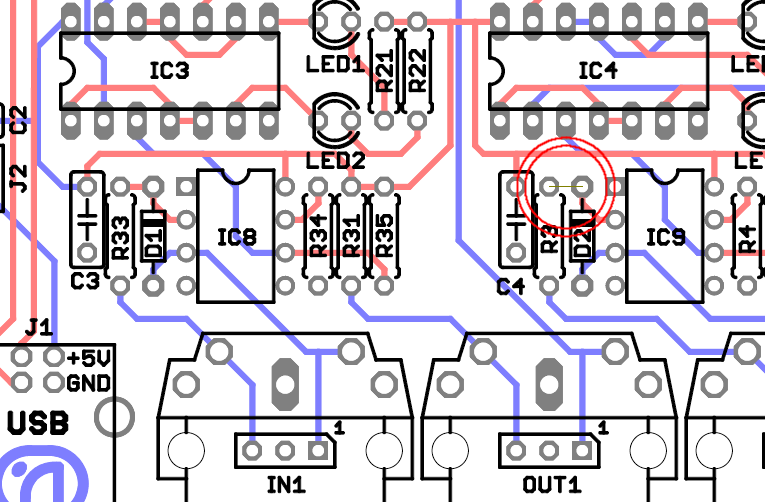
#2 MISSING TRACK
gm5x5x5_errata.txt · Last modified: 2010/02/07 11:44 by nils

