Table of Contents
CV-1
CV-Recorder/Looper & CV-Generator
Control Voltage Recorder, Looper, and Generator - for a own Eurorack-Line… more in Future!

–this picture is the first prototype - pre-Eurorack
very-early-version...k
Features
* A Envelope which can be Recored from an AIN-Source, it can be Editet on Startpoint,ATK-Playbackrate, Decay-Playbackrate
* LFO which Waveform is stepless morphable from Sine Square Tri Saw-Up to Saw-Down…(only Clocksynced!)
* MSQ MotionSequencer to loop a CV-Signal.
* A Mixer Page which Mixes/Mutes ENV+LFO+MSQ - and scales the output CV
* Copy, Paste, Clear: to Transfair the CV Sequence to other CV1 Instances
* ProgramChange Load and Store on microSD-Card, Load and Store are CC-Commands, so you can remote the device
* The Sequencer can be set to Tact Systems: 3/4 4/4 5/4 7/4 9/4 11/4 13/4
Hardware Requirements
Midibox:
- dipcoref4 - this is the µC Brain for CV1
- no other PCBs needet - but expandable with other Eurorackmodules in Future
- µSD-Card, formated with FAT32
- Soldering Iron - with a Dip that can Handle SMD-Parts, Wires, solder Paste for the µC….
- Eurorack Power Source +-12V AND +5V!
Set
Cabeling
Midi IN1 »> CV1 Remote Device or a Midi-Sequencer
Midi OUT »> to a Global CV1 Remote Device - which will need a lot of Midiinputs M16?
- @JMidi1: connect your Sequencer to get Midiclock and Programchanges
- @JAIN1: 2 CV Inputs - 12V tollerant
- @JAUT3: 1 CV Output - (internal DAC with Protection Cirtuit > 12V Tollerant)
- @J19:Get up to 8 CV-Outputs, with a AoutNG
- @JLCD1: up to 4 Additional OLED-Displays for every one a Reset Line - so no additonal Circuit needet
- @J89: DIN and DOUT Shiftregister Chain: thought for decidet Expander Modules (which will come in near future
- @J2/Bootload: If the core is not starting up - because of bad-Firmware, then bridge this Jumper to come into the Bootload-Mode
Software
Firmware
yes it loopin… but not good enough to release anything…
Building
The Design is optimized for Pick and Place most SMD Parts are on the Top-PCB
i ordered 5 PCBs from JLCPCP with almost all SMD Parts (except 10pF µSD and 4x100nF) presoldered
now waiting for Presoldered PCBs - for 15€ a Piece!


The Resistors for the LEDs are under the top LCD, so test your LED brightnes before soldering the Top-LCD
You can remove LCD later but, it is hard! and you may damage the LCD or the PCB…
Frontpanel
- Eurorack Alu-Plate
Case
BOM
the 22R Resistors should be 220, the Green LEDs are still to bright even with 440 Ohm Resistors…
| Value | Designator | Footprint | LCSC Part Number | Library-Type | Mouser |
|---|---|---|---|---|---|
| 100nF | C110 | 1206 | C24497 | basic | |
| 10uF | C1116,C2325 | 1206 | C13585 | basic | |
| 10pF | C17,C18,C19,C20,C21,C22 | 1206 | not avaiable | ||
| 1N4148W | D1,D2,D3,D4,D5,D64 | SOD123 | C81598 | basic | |
| ENC | ENC1-ENC5 | ENC-PEC11R | 652-PEC11R-4015F-S24 | ||
| 5×2-AOUT | J19 | Header-2×5 | |||
| BootLoad | J2 | Header-1×2 | |||
| DinDout | J89 | Header-2×5 | |||
| HEADER_3 | JAIN1 | Header-1×3 | |||
| Header-1×4 | JAIN2 | Header-1×4-female | |||
| Header-1×4 | JAIN3 | Header-1×4 | |||
| CV1 | JAUT1,JAUT2 | Header-1×2 | |||
| CV-OUT1 | JAUT3 | Header-1×2 | |||
| BiOff | JG1 | Header-1×2 | |||
| Gain | JG2,JG3 | Header-1×2 | |||
| Disconnect | JG4 | Header-1×2 | |||
| Offset | JG5 | Header-1×2 | |||
| Foot | JG6 | Header-1×2 | |||
| Gates | JGate1 | Header-2×3 | |||
| OLED3-6 | JLCD1 | Header-2×7 | |||
| Midi | JMidi1 | Header-2×3 | |||
| Header-2×8-eurorack | Jpsu1 | Header-2×8 | |||
| DIPCOREF4_52P | M1 | dipCoreF4_v2c-52p-DIP-40MPNT_CORE_52P | Antichambre | ||
| uSD_DM3ATDM3AT | M2 | uSD-DM3AT-SF-PEJM5 | 798-DM3AT-SF-PEJM5 | ||
| 6N138 | M3 | DIP-8 | 512-6N138M | ||
| LED-Green | Menue-1,TR1,Clock-1,ENV-1,Menue-2,TR2,ENV-2,Menue-3,Menue-4,Menue-5,Menue-6 | 1206-LED | C559120 | extended | |
| OLED | OLED1,OLED2 | SSD1306:OLED-SSD1306-128×64 | |||
| PTC | PTC1 | 1206 | C126818 | extended | |
| 10K | R28,R29,R43-R58 | 1206 | C17902 | basic | |
| 49K9 | R30-R40,R61-R64 | 1206 | C18017 | extended | |
| 30K | R41,R42 | 1206 | C17999 | extended | |
| 130K | R59 | 1206 | C17893 | extended | |
| 100K | R60 | 1206 | C17900 | basic | |
| 1K | R1-R7 | 1206 | C4410 | basic | |
| 4K7 | R8 | 1206 | C17936 | basic | |
| 220 | R9-R27,R63 | 1206 | C17958 | basic | |
| Trim-3224W-1-104E | RV1,RV2 | Trimmer-3224W-1 | C53229 | extended | |
| Trim-3214W-1-253E | RV3 | Trimmer-3214W_Vertical | 652-3214W-1-253E | ||
| 74HC595 | S1-S3 | SOP-16_SOIC-16 | C5947 | basic | |
| 74HC165 | S4,S5 | SOP-16_SOIC-16 | C5613 | basic | |
| TL072 | U2,U3 | SOP-8_SOIC-8 | C6961 | basic | |
| MCP6002 | U6 | SOP-8_SOIC-8 | C7377 | basic | |
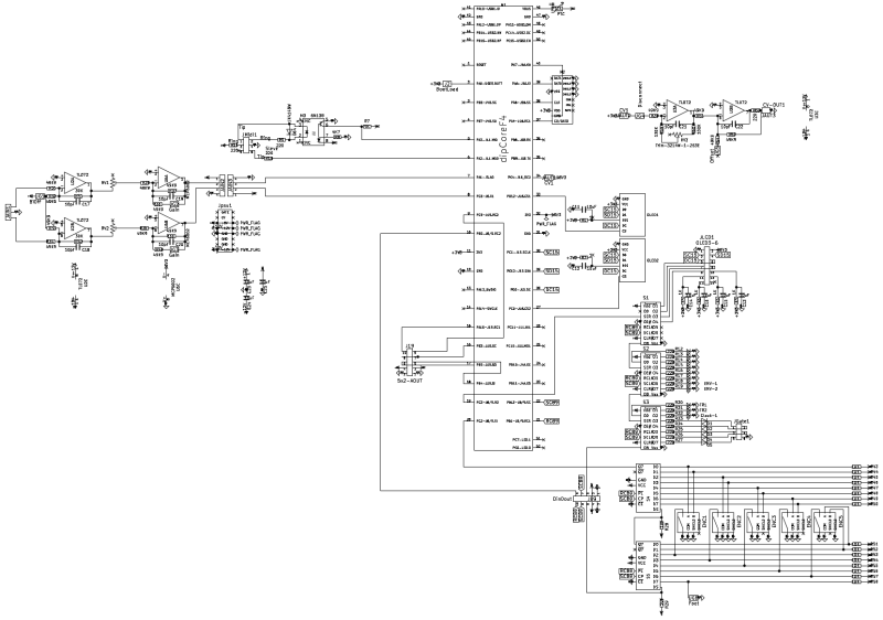
Shematic
To Do
a housing/case or frontplate
Resources
Community users working on it
- Phatline = Prototype, Shematic, PCB, Programming, Documentation, all…
Just let a Private message on the forum to user already involved.
I have ProtoBoards here - i test one, and if it works, i can share them for Beta Testing-if you pay the postage


